3.1 存储系统概念
3.1.1 存储器的层次化结构

介质
主存与Cache使用半导体作为存储介质,磁盘磁带通过磁性材料存储
存取方式

读写方式

易失性与破坏性

3.1.2 存储器的性能指标

3.2 主存储器
3.2.1 主存储器基本组成




寻址

3.2.2 SRAM与DRAM
Dynamic Random Access Memory,动态RAM,DRAM用于主存。 Static Random Access Memory,静态RAM,SRAM用于Cache。
存储元
SRAM使用双稳态触发器,DRAM使用栅极电容 
对比

刷新
刷新指在规定的时间内更新,因为电容中的电荷只能维持2ms,必须要充电
通过这种行列分开的形式,能够减少选通信的数量,简化电路

地址线复用

3.2.3 ROM

BIOS

3.2.4 多模块存储器
双端口RAM已从2025年408大纲删除
多体并行存储器
每个存储器独立,具有相同的容量和读取速度
地位交叉编制实现了在连续读取时读取不同的存储体 

单体多字存储器

3.3 主存储器与CPU的链接
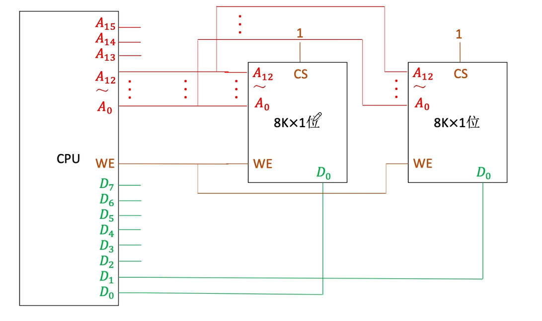
位扩展


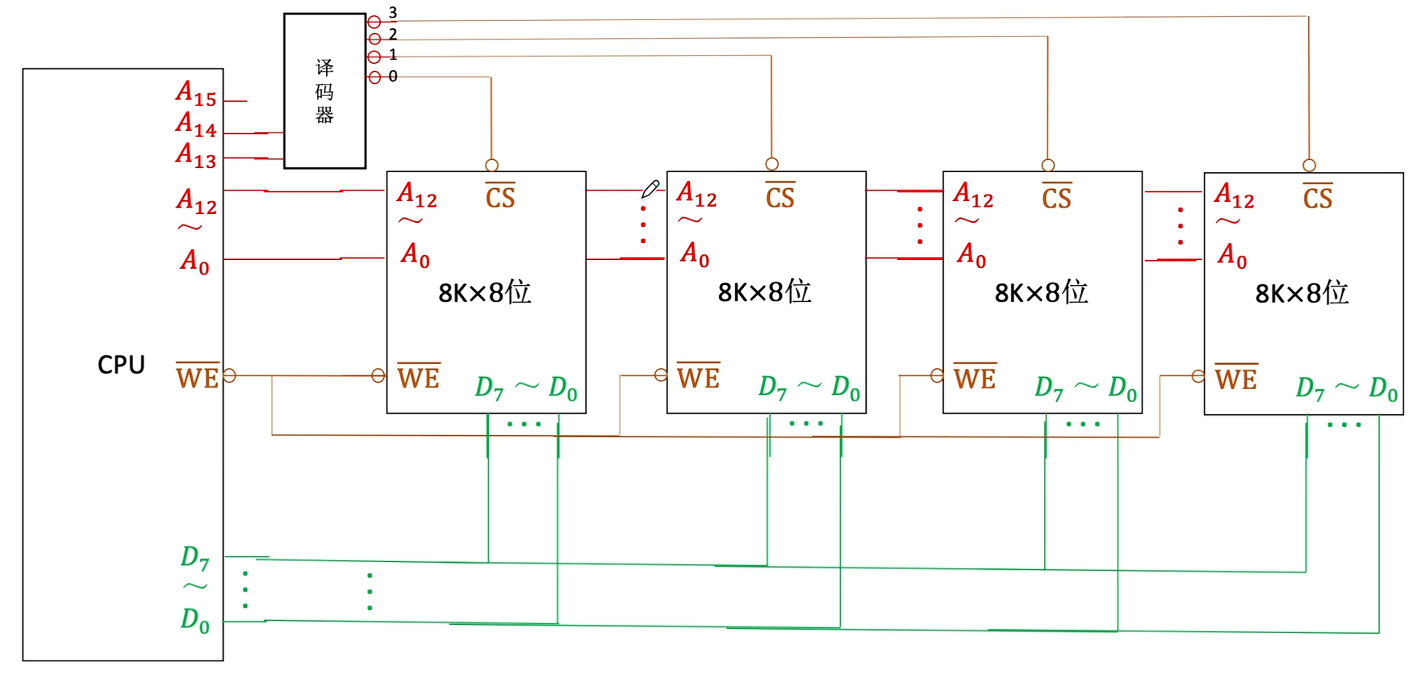
字扩展

译码器
